Sensor Evaluation Kit TOP
Evaluation Kit
-
Barometric Pressure Sensor
BM1390GLV-EVK-001 -
Accelerometer Sensor
KXTJ3-1057-EVK-002 -
Temperature Sensor
BH1900NUX-EVK-001 -
Ambient Light Sensor and Proximity Sensor
RPR-0521RS-EVK-001 -
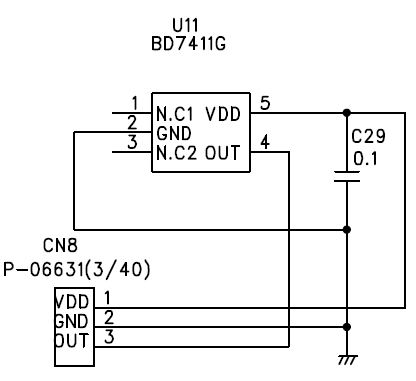
Hall Effect Sensor
BD7411G-EVK-001 -
Temperature Sensor
BD1020HFV-EVK-001
Shield for Arduino
Purchase the Hall Effect Sensor Module
Datasheets
Pinout/Shield Information
Hardware Settings

- Connect the board in the GPIO section
- Power Supply Voltage Settings (5.0V)
Manuals
Software








