会社案内CSS

 

Global-製品特設CSS

PLECS

PLECS® Demo Circuits (Power Electronics)

ROHM provides PLECS® models for circuit simulation.
Please utilize them for preliminary verification using circuit simulation.

PLECS® is a registered trademark of Plexim, Inc.

Category Topology NO. Simulation circuit name Circuit Models
zip download
Document
download
Boost PFC Circuit Models A-002-D AC-DC Boost PFC Diode Rectification
(Equipped with Discrete)

zip

PDF

Totem-pole PFC Circuit Models A-010-DOT AC-DC Totem-Pole PFC Synchronous Rectification
(Equipped with DOT-247 Package)

zip

PDF

Circuit Models A-011-D AC-DC Totem-Pole PFC Diode Rectification
(Equipped with Discrete)

zip

PDF

3-Phase PFC Circuit Models A-021-D AC-DC 3-Phase Vienna PFC
(Equipped with Discrete)

zip

PDF

A-021-DOT AC-DC 3-Phase Vienna PFC
(Equipped with DOT-247 Package)

zip

PDF

Category Topology NO. Simulation circuit name Circuit Models
zip download
Document
download
Full Bridge Inverter Circuit Models B-004-D DC-AC single-phase 2-Level Full-Bridge Inverter
(Equipped with Discrete)

zip

PDF

B-004-DOT DC-AC single-phase 2-Level Full-Bridge Inverter
(Equipped with DOT-247 Package)

zip

PDF

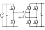
3-Phase Inverter Circuit Models B-009-D DC-AC 3-phase 2-Level Motor Driver
(Equipped with Discrete)

zip

PDF

3-level inverter Circuit Models B-011-DOT DC-AC 3-phase 3-Level NPC-Type-T Inverter
(Equipped with DOT-247 Package)

zip

PDF

Circuit Models B-012-DOT DC-AC 3-phase 3-Level NPC-Type-I Inverter
(Equipped with DOT-247 Package)

zip

PDF

Category Topology NO. Simulation circuit name Circuit Models
zip download
Document
download
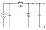
Boost Converter Circuit Models C-002-D DC-DC Boost Converter
(Equipped with Discrete)

zip

PDF

Buck Converter Circuit Models C-006-D DC-DC Buck Converter
(Equipped with Discrete)

zip

PDF

Flyback Converter Circuit Models C-010-D DC-DC Flyback Converter
(Equipped with Discrete)

zip

PDF

Forward Converter Circuit Models C-011-D DC-DC Forward Converter
(Equipped with Discrete)

zip

PDF

LLC Resonant Converter Circuit Models C-023-D DC-DC LLC Half-Bridge Converter
(Equipped with Discrete)

zip

PDF

C-023-DOT DC-DC LLC Half-Bridge Converter
(Equipped with DOT-247 Package)

zip

PDF

Circuit Models C-014-D DC-DC LLC Full-Bridge Converter
(Equipped with Discrete)

zip

PDF

C-014-DOT DC-DC LLC Full-Bridge Converter
(Equipped with DOT-247 Package)

zip

PDF

Phase-Shift Resonant Converter Circuit Models C-019-D DC-DC Phase-Shift Full-Bridge Converter
(Equipped with Discrete)

zip

PDF

C-019-DOT DC-DC Phase-Shift Full-Bridge Converter
(Equipped with DOT-247 Package)

zip

PDF

Please check the topologies and recommended products here