ltspice-circuit

LTspice® Demo Circuits (Power Electronics)

ROHM provides LTspice® models for circuit simulation.
Please utilize them for preliminary verification using circuit simulation.

LTspice® is a registered trademark of Analog Devices, Inc.

Category Topology NO. Simulation circuit name Circuit Models
zip download
Document
download
Boost PFC Circuit Models A-001-D3 AC-DC Boost PFC Vin=200V Iin=2.5A BCM
(Equipped with TO247-N Package)

zip

PDF

A-002-D3 AC-DC Boost PFC Vin=200V Iin=2.5A CCM
(Equipped with TO247-N Package)

zip

PDF

A-004-D3 AC-DC Boost PFC Vin=200V Iin=2.5A DCM
(Equipped with TO247-N Package)

zip

PDF

Circuit Models A-003-D3 AC-DC Boost PFC Vin=200V Iin=2.5A CCM Synchronous FETs
(Equipped with TO247-N Package)

zip

zip

A-005-D3 AC-DC Boost PFC Vin=200V Iin=2.5A DCM Synchronous FETs
(Equipped with TO247-N Package)

zip

PDF

Interleaved PFC Circuit Models A-006-D3 AC-DC Interleaved PFC Vin=200V Iin=2.5A CCM
(Equipped with TO247-N Package)

zip

PDF

Circuit Models A-007-D3 AC-DC Interleaved PFC Vin=200V Iin=2.5A CCM Synchronous FETs
(Equipped with TO247-N Package)

zip

PDF

A-009-D3 AC-DC Interleaved PFC Vin=200V Iin=2.5A DCM Synchronous FETs
(Equipped with TO247-N Package)

zip

PDF

Circuit Models A-017-D3 AC-DC 3-Phase Interleaved PFC Vin=200V Iin=7.5A DCM
(Equipped with TO247-N Package)

zip

PDF

Totem-pole PFC Circuit Models A-010-D3 AC-DC Totem-Pole Bridgeless PFC Vin=200V,Iin=100A,Synchronous FETs
(Equipped with TO247-N Package)

zip

PDF

A-010-HSD AC-DC Totem-Pole Bridgeless PFC Vin=200V,Iin=100A,Synchronous FETs
(Equipped with HSDIP20 Package)

zip

PDF

Circuit Models A-011-D3 AC-DC Totem-Pole Bridgeless PFC Vin=200V,Iin=100A,Diode Rectification
(Equipped with TO247-N Package)

zip

PDF

Diode-Bridgeless PFC Circuit Models A-012-D3 AC-DC Diode-Bridgeless PFC Vin=200V Iin=2.5A BCM
(Equipped with TO247-N Package)

zip

PDF

Circuit Models A-014-D3 AC-DC Diode-Bridgeless PFC Vin=200V Iin=50A CCM Synchronous FETs
(Equipped with TO247-N Package)

zip

PDF

A-016-D3 AC-DC Diode-Bridgeless PFC Vin=200V Iin=50A DCM Synchronous FETs
(Equipped with TO247-N Package)

zip

PDF

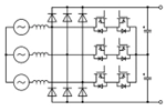
3-Phase PFC Circuit Models A-019-D3 AC-DC 3-Phase 2-level Full Bridge PFC 3-Wire Vin=200V Pin=25kW
(Equipped with TO247-N Package)

zip

PDF

Circuit Models A-020-D3 AC-DC 3-Phase Plus Neutral 2-level Full Bridge PFC Vin=200V Pin=25kW
(Equipped with TO247-N Package)

zip

PDF

Circuit Models A-021-D4 AC-DC 3-Phase Vienna PFC Vin=480V Pin=33kW
(Equipped with TO247-4L Package)

zip

PDF

A-021-DOT AC-DC 3-Phase Vienna PFC Vin=400Vac Pin=33kW Vout=800Vdc
(Equipped with DOT-247 Package)

zip

PDF

Category Topology NO. Simulation circuit name Circuit Models
zip download
Document
download
IH Inverter Circuit Models B-001-D3 DC-AC IH 1-Phase 2-level Half Bridge Inverter Pout=10kW
(Equipped with TO247-N Package)

zip

PDF

Circuit Models B-002-D3 DC-AC IH 1-Phase 2-level Full Bridge Inverter Pout=20kW
(Equipped with TO247-N Package)

zip

PDF

Half Bridge Inverter Circuit Models B-003-D3 DC-AC 1-Phase 2-level Half Bridge Inverter Pout=20kW
(Equipped with TO247-N Package)

zip

PDF

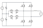
Full Bridge Inverter Circuit Models B-004-D3 DC-AC 1-Phase 2-level Full Bridge Inverter Pout=20kW
(Equipped with TO247-N Package)

zip

PDF

B-004-HSD DC-AC 1-Phase 2-level Full Bridge Inverter Pout=20kW
(Equipped with HSDIP20 Package)

zip

PDF

1-phase 3-wire inverter Circuit Models B-005-D3 DC-AC 1-Phase 3-Wire Inverter Pout=20kW
(Equipped with TO247-N Package)

zip

PDF

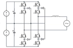
3-Phase Inverter Circuit Models B-006-D3 DC-AC 3-Phase 3-Wire Inverter Pout=5kW
(Equipped with TO247-N Package)

zip

PDF

B-006-HSD DC-AC 3-Phase 3-Wire Inverter Pout=15kW
(Equipped with HSDIP20 Package)

zip

PDF

B-006-DOT DC-AC 3-Phase 3-Wire Inverter Pout=15kW
(Equipped with DOT-247 Package)

zip

PDF

B-008-D3 DC-AC 2-Phase Modulation Inverter Pout=10kW for Motor Drive
(Equipped with TO247-N Package)

zip

PDF

B-009-D3 DC-AC 3-Phase Modulation Inverter Pout=10kW for Motor Drive
(Equipped with TO247-N Package)

zip

PDF

B-010-D3 DC-AC 3-Phase Step Moduolation Inverter Pout=5kW for Motor Drive
(Equipped with TO247-N Package)

zip

PDF

Circuit Models B-007-D3 DC-AC 3-Phase Plus Neutral Inverter Pout=15kW
(Equipped with TO247-N Package)

zip

PDF

B-007-HSD DC-AC 3-Phase Plus Neutral Inverter Pout=15kW
(Equipped with HSDIP20 Package)

zip

PDF

3-level inverter Circuit Models B-011-DOT DC-AC 3-level NPC-T Inverter Pout=10kW
(Equipped with DOT-247 Package)

zip

PDF

Circuit Models B-012-DOT DC-AC 3-level NPC-I Inverter Pout=10kW
(Equipped with DOT-247 Package)

zip

PDF

Category Topology NO. Simulation circuit name Circuit Models
zip download
Document
download
Boost Converter Circuit Models C-002-D3 DC-DC Boost Converter Vo=800V Io=20A
(Equipped with TO247-N Package)

zip

PDF

Circuit Models C-004-D3 DC-DC Boost Synchronous Converter Vo=800V Iin=20A
(Equipped with TO247-N Package)

zip

PDF

Buck Converter Circuit Models C-008-D3 DC-DC Buck Synchronous Converter Vo=250V Io=100A
(Equipped with TO247-N Package)

zip

PDF

Circuit Models C-009-D3 DC-DC Buck Synchronous Converter 2-Phase Vo=250V Io=200A
(Equipped with TO247-N Package)

zip

PDF

Flyback Converter Circuit Models C-010-D3 DC-DC Flyback Converter Vin=800V Vo=25V Io=10A
(Equipped with TO247-N Package)

zip

PDF

DC-DC Flyback Converter Vin=900V Vo=25V Io=2A
(Equipped with TO247-N Package)

zip

PDF

C-022-D3 DC-DC Active Clamp Flyback Converter Vin=800V Vo=24V Io=10A
(Equipped with TO247-N Package)

zip

PDF

Quasi-Resonant Converter C-016-D3 DC-DC Quasi-Resonant Converter Vin=800V Vo=25V Io=10A
(Equipped with TO247-N Package)

zip

PDF

Forward Converter Circuit Models C-011-D3 DC-DC Forward Converter Vin=500V Vo=25V Io=10A
(Equipped with TO247-N Package)

zip

PDF

C-021-D3 DC-DC Active Clamp Forward Converter Vin=400V Vo=24V Io=10A
(Equipped with TO247-N Package)

zip

PDF

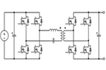
LLC Resonant Converter Circuit Models C-012-D3 DC-DC LLC Buck Converter Vo=12V Io=250A
(Equipped with TO247-N Package)

zip

PDF

Circuit Models C-014-D4 DC-DC LLC Converter (Full bridge, Synchronous Rectification)
(Equipped with TO247-4L Package)

zip

PDF

C-014-DOT DC-DC LLC Converter Full bridge Synchronous Rectification Vin=800V Vout=50V Pout=15kW
(Equipped with DOT-247 Package)

zip

PDF

Buck-Boost Converter Circuit Models C-017-D3 DC-DC Buck-Boost Converter Vo=400V Io=40A
(Equipped with TO247-N Package)

zip

PDF

Phase-Shift Resonant Converter Circuit Models C-019-D3 DC-DC Phase-Shift Buck Converter Vo=12V Io=250A
(Equipped with TO247-N Package)

zip

PDF

Please check the topologies and recommended products here

会社案内CSS

 

Global-製品特設CSS