PMIC Lineup for Renesas R-Car Gen3 platform
The system power solutions chosen by several R-Car Gen3 "Official evaluation boards" validated by Renesas.
-

-
SoC
3rd generation -
ROHM PMIC Solution
-
HHigh End
(R-Car H) -
R-Car H3
-
-
MMid Range
(R-Car M) -
R-Car M3
-
EEntry
(R-Car E) -
R-Car E3
-
DDashboard
(R-Car D) -
R-Car D3
-
VVision
(R-Car V) -
R-Car V3HR-Car V3M
-
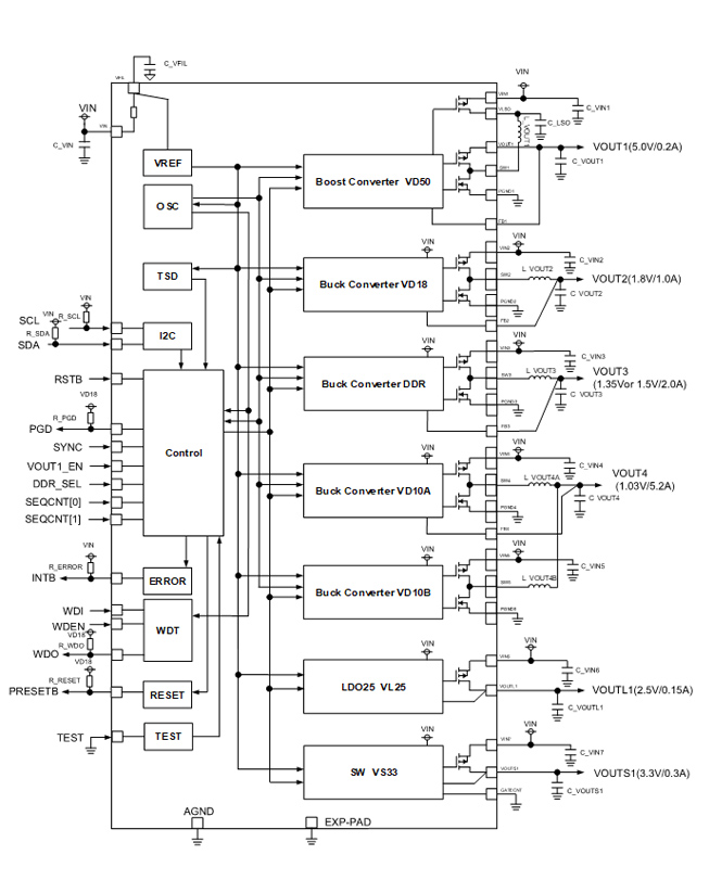
BD9573MUF-M
Features
- Power management for R-car D3 (*E3 if Iout ≦ 5.2A)
- Built-in output sequence control- DDR3L/DDR3 memory supported
- 2.25MHz±10% switching frequency
- Built-in feedback resister/compensation circuit/Discharge function
- Built-in Power-good (PGD terminal)
- Built-in window type watchdog timer (WDT)
- I2C control (built-in status register for error)
- Protection function (UVLO,OCP,OVP,UVP,SCP,TSD)
- Adjust sequence time (SEQCNT1, 2)
- EEPROM supported
Key specifications
- Input voltage range :3.0V ∼ 3.6V
- Operating temperature range :-40ºC ∼ 105ºC
- Output voltage accuracy :±1.8%
Package
VQFN56FV8080
W(Typ.) x D(Typ.) x H(Max.)
8.0mm x 8.0mm x 1.0mm
0.5mm Pitch

BD9576MUF-C
Features
- Power management for R-car V3M (*E3 if Iout ≦ 5.2A)
- Built-in output sequence control- DDR3L/LP4 memory supported
- Built-in safety functions supporting ASIL ratings
- Output voltage detection/Thermal detection function- Built-in window type watchdog timer (WDT)- Built-in self diagnosis function (BIST) (OSC, Reference voltage, Detection function)
- 2.25MHz±10% switching frequency
- Built-in feedback resister/compensation circuit/Discharge function
- Built-in Power-good (PGD terminal)
- I2C control (built-in status register for error)
- Protection function (UVLO,OCP,OVP,UVP,SCP,TSD)
- Adjust sequence time (SEQCNT1, 2)
- EEPROM supported
Key specifications
- Input voltage range :3.0V ∼ 3.6V
- Operating temperature range :-40ºC ∼ 125ºC
- Output voltage accuracy :±1.8%
Package
VQFN56FV8080
W(Typ.) x D(Typ.) x H(Max.)
8.0mm x 8.0mm x 1.0mm
0.5mm Pitch

Functional Safety Detection Demo of Power Management IC BD9576MUF-C


